Sign In | Join Free | My chinabagsnet.com
China Shenzhen Greenfair Electronics Co., Limited logo
Shenzhen Greenfair Electronics Co., Limited
Shenzhen Greenfair Electronics Co., Limited
Active Member

8 Years

Home > Electronic Current Transformer >

Copper Wire Mini Current Transformer Inflammable Epoxy Resin PB Free Two Winding

Shenzhen Greenfair Electronics Co., Limited
Contact Now

Copper Wire Mini Current Transformer Inflammable Epoxy Resin PB Free Two Winding

  • 1
  • 2

Brand Name : Greenfair

Model Number : Current transformer CT10

Certification : CE, UL, ISO14001

Place of Origin : China

MOQ : 1000pcs

Packaging Details : carton box, plastic blister box

core : φ9.5*13*5 PERMALLOY

material : inflammable epoxy resin and case

application : RTU, power transducer, electrical monitoring meter, power meter and all sorts of controlling devices

function : working frequency 50-400Hz

wire : 2UEW 130℃ copper wire

turns : 1000Ts~2500Ts

winding : two

ROHS : PB free

Contact Now

CT10 series CT10B-2(12)A/2mA Class 0.2 Current transformer With high permeability permalloy core, excellent linear performance, small size​ for working frequency 50-400Hz , energy meter, power transducer, RTU, etc

Features:

1. Good voltage separation ability and insulation property

2. It is applicable for working frequency 50-400Hz

3. With burnt-resistant PBT case and epoxy resin, current transformer can reach insulation resistance of 500VDC ≥100mΩ, electrical strength 3000VAC,1mA 60S.

4. Under the ambient temperature -25℃ ~75℃, CT07 serires are main applied in RTU, power transducer, electrical monitoring meter, power meter and all sorts of controlling devices.

5. With high permeability permalloy core, excellent linear performance, small size; while by lamination silicon stell core, huge current load and low price.

For our current transformers, which are produced by using high permeability permalloy core or good quality laminated silicon steel core, inflammable epoxy resin and case with our high precision toroidal winding machine & current transformer testers, steady quality and reliable safety, are widely applied in electronic energy meter, power transducer, RTU, electronical monitoring meter, power factor compensator, digital meter, motor control, industrial control system, electrical meter equipment, etc.

CT10A

Copper Wire Mini Current Transformer Inflammable Epoxy Resin PB Free Two Winding

CT10B

Copper Wire Mini Current Transformer Inflammable Epoxy Resin PB Free Two Winding

CT10C

Copper Wire Mini Current Transformer Inflammable Epoxy Resin PB Free Two Winding

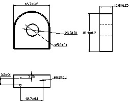
DIM(mm)P/N CT07A CT07D CT07E CT07F
DIM
A 23.5 26 37 49
B 12.5 17 14 20
C 25 29 39 54
D 7 +/-0.2 9 +/-0.2 13 +/-0.2 18.5 +/-0.2
E 15 15 25 29.5
F 18.5 18.5 32.5 37
G 10.5 15 11 17.5
H 1 1 1 1
I 6 6 6 6

Performance & Specification
Part No. Rated primary current (A) Max primary current (A) Rated secondary current (A) Current ratio Output voltage (mV) Accuracy class Outline
CT10A 1 10 0.5 2000:1 100 0.2 CT10A
5 15 2 2500:1 100 0.2
CT10B 5 15 2.5 2000:1 100 0.2 CT10B
5 15 5 1000:1 100 0.2
Part No. Rated primary current (A) Max primary current (A) Rated secondary current (A) resistance load Output voltage (mV) Accuracy class Outline
CT10C 2 30 2 100 0.2 0.5, 1.0 CT10C
5 30 2.5 200 0.5 0.5, 1.0
5 30 5 200 1 0.5, 1.0
5 25 5 500 2.5 0.5, 1.0


For example

CT10B-2(12)A/2mA Class 0.2

Copper Wire Mini Current Transformer Inflammable Epoxy Resin PB Free Two Winding

ELECTRICAL CHARACTERSTIC:
NO. ITEM MEASURED POINT TECHNICAL DATA REMARK
1 Rated Primary Current A--B 2A
2 Rated Secondary Current 1--2 2mA
3 Rated long-time thermal current A--B 12A
4 Accuracy Class 0.2%
5 Primary/secondary ratio 1:1000
6 DCR Resistance 105Ω MAX at 25℃
7 Load Resistance 100Ω
8 HI-POT P-S 3000V AC 50Hz 60s
9 Temperature operative ’-25℃~+75℃
10 Nominal working frequecncy 50Hz~60Hz

MATERIAL LIST:
NO. ITEM MATERIALS REMARK
1 CORE φ9.5*13*5 PERMALLOY
2 CASE CT10B Burn-resistant PBT E59481(S)
3 WIRE UEW-2 Ø0.08mm 130℃ E85640
4 EPOXY 3300A/B
5 PIN φ0.7*20mm

Copper Wire Mini Current Transformer Inflammable Epoxy Resin PB Free Two Winding


Product Tags:

industrial current transformers

      

high accuracy current transformer

      
Quality Copper Wire Mini Current Transformer Inflammable Epoxy Resin PB Free Two Winding wholesale

Copper Wire Mini Current Transformer Inflammable Epoxy Resin PB Free Two Winding Images

Inquiry Cart 0
Send your message to this supplier
 
*From:
*To: Shenzhen Greenfair Electronics Co., Limited
*Subject:
*Message:
Characters Remaining: (0/3000)